



多功能电力仪表是一种具有可编程测量、显示、数字通讯和电能脉冲变送输出等功能的多功能电力仪表,能够完成电量 测量、电能计量、数据显示、采集及传输,可广泛应用变电站自动化,配电自动化智能建筑、企业内部的电能测量、管理、考核。测量精度为0.5级、实现LED现场显示和远程RS-485数字通讯接口,采用MODBUS-RTU通讯协议。
技术参数
| 参数 |
信 号 输 入 | 接线 | 三相四线Y34 / 三相三线 V33 |
电压 | 量程 | 400V/100V |
过载 | 持续:1.2倍 瞬时:1倍 |
功耗 | <1VA |
电源 | 量程 | 5A/1A |
过载 | 持续:1.2倍 瞬时:1倍 |
功耗 | <1VA |
频率 | 40~65HZ |
电源 | AC220V(默认)或者AC/DC80~270V |
电能脉冲 | 无源光耦集电极输出,固定脉宽80mS±20% |
通讯 | RS485通讯接口,物理层隔离 符合国际标准的MODBUS-RTU协议 通讯速度1200~9600 校验方式NB1.E81.O81 |
模拟输出 | 0/4~20mA或0~5/10V变送输出 可编程设置变送项目和对庆值 |
继电器输出 | 可编程遥控/报警继电器输出 容量5A/250VAC 5A/30VDC |
遥测开关 | 遥测开关输入测量,无源干结点输入 可编程关联报警输出 |
测量等级 | 电量:0.5 频率:±0.1Hz;有功电能:0.5S;无功电能:1;模拟输入:0.5 |
显示方式 | 一体化数码管/ 高清液晶显示 |
环境 | 工作温度:-10~55℃;储存温度:-20~75℃ |
安全 | 绝缘信号:电源输出端子对壳电阻>5M |
外形 | 尺寸:120*120*106mm 96*96*95mm
|

安装尺寸:A*B 开孔尺寸:S*Y 面板尺寸:L*H(单位mm)
外形尺寸(L*H) | 屏装配合尺寸(A*B) | 开孔尺寸(S*Y) | 总长(N) | 深度(M) |
120*120 | 110*110 | 111*111 | 93 | 78 |
96*96 | 91*91 | 92*92 | 93 | 78 |
80*80 | 75*75 | 76*76 | 71 | 68 |
72*72 | 67*67 | 68*68 | 71 | 68 |
接线端子功能说明
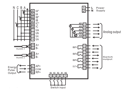
1)信号和功能端子编号
本系列接线端子采用统一的编号,适应于该系列所有产品,其情况如下表所示:
电源 | 1,2 | AC220V,AC/DC80~270V |
电流信号 | 4,5,6,7,8,9 | 4,6,8为三相电流进线端 |
电压信号 | 11,12,13,14 | 分别为三相电压输入UA、UB、UC、UN |
继电器输出 | 15~22 | 4路继电器输出 |
变送输出 | 30,31,32,33,34 | 4路4~20mA变送输出,30为公共端 |
电能脉冲 | 47,48,49 | 47,49为无源输出的正端,接外供电源的正端 |
RS485 | 58,59 | 分别为A+,B- |
开关输入 | 70~74 | 4路开关输入,70为公共端 |
2)使用说明:
2.3.1 1、2为仪表工作的辅助电源,极限的电源电压为AC220V(默认),请确保所供电源适用于该系列产品,以防止损坏产品。
2.3.2 4、6、8为电流互感器的进线端子,带*号表示为电流的进线端子。
2.3.3 三相三线接法:在三相三线网络中B相电流不需连接,UB接14号端子,其具体接线可以参照2.4接线。
2.3.4 详细接线端子的使用,请按照具体产品外壳上的连线图进行连接。
2.4 接线
1)低压网络典型接线示意图

低压网络典型接线示意图
该图以外形尺寸为120*120的增强型为例,其余产品的接线图与其类似,只是接线端子和功能模块减少而已。
注意:各个产品的接线端子次序略有所不同,接线时请按照产品外壳上的接线图进行连接。
输入信号接线方法
