
产品简介
在电力系统中,铁磁谐振频繁发生,谐振时会产生过电压,严重威胁系统安全。铁磁谐振过电压可以在3~220千伏的任何系统中发生,特别是在35千伏及以下的电网中,几乎所有的内部过电压事故均由铁磁谐振引起。铁磁谐振引起的过电压持续时间长,甚至可能长期存在。在分频谐振时,一般过电压并不高,但是PT的电流大,易使PT过热而爆炸;基波和倍频谐振时,一般电流不大,但是过电压很高,常使设备绝缘损坏,造成恶性事故。
WX系列电力微机消谐装置是新型智能化电力谐振消除装置,使用简单方便,无需维护,能迅速地消除各种频率的铁磁谐振,准确率高。同时可根据用户需要将相关信息打印或通过通信接口传给上级监控系统,适用于无人值守变电站。
技术参数
(1)适用范围:3kV―35kV系统。
(2)消谐路数:1路(可定制2路产品)。
(3)适用谐振频率:高频、低频、工频谐振。
(4)消谐启动电压:低频谐振30V,工频、高频谐振120V。
(5)电压测量精度:2%。
(6)频率测量精度:±1Hz。
(7)报警继电器输出触点容量:AC 240V/5A,DC 30V/5A。
(8)通信方式:RS485@9600bps。
(9)工作电源:AC220V±10%,DC220V±10%。
(10)环境温度:–10°C至 + 50°C。
(11)海拔高度:小于2000米。
(12)工作环境温度:-10℃- 60℃。
(13)空气相对湿度:90% (25℃)、50% (40℃)。
(14)使用地点不得有腐蚀性气体、蒸汽、导电尘埃,不得有爆炸性气体和破坏绝缘性气体。
(15)安装地点具有防风、防雨和防尘设施。
安装尺寸:


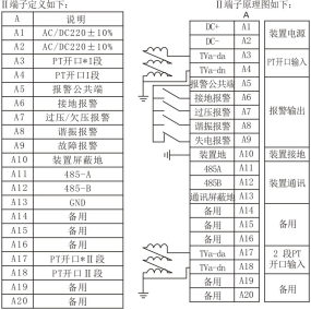
端子说明:

