(ZN63、JKN1)VS1-12 高压真空断路器(手车式)-固封式

产品概述
适用范围
(ZN63、JKN1)VS1-12 高压真空断路器(手车式)-固封式采用固体绝缘结构,利用先进的环氧固封技术,首次将真空灭弧室、主导电回路、绝缘支撑等有机地组合成为一个集成固封极柱。成功地从根本上解决了真空断路器的环境耐受问题,使其应用更为广泛。集成固封极柱采用了自对流专利通风技术,巧妙地解决了固体绝缘结构所带来的散热难问题。
(ZN63、JKN1)VS1-12 高压真空断路器(手车式)-固封式是国内第一个实现免维护概念的断路器。其高寿命的真空灭弧室以及环氧浇注固封技术的应用保证了集成固封极柱的免维护,同时还可配用高可靠性永磁操动机构保证了操动机构的免维护,电子控制部分弃传统的辅助开关而代之以光电接近开关,并采用全电子化电源和智能控制单元保证了电子控制部分的免维护。
使用环境
1、环境温度:不高于40℃,不低于-10℃(允许在-30℃时储运)。
2、海拔高度:不超过2000m。(若需增高海拔,则额定绝缘水平相应提高)
3、相对湿度:日平均值不大于95%,饱和蒸汽压日平均值不大于2.2×10-3MPa,月平均不大于1.8×10MPa-3。
4、地震烈度:不超过8级。
5、无火灾、爆炸、严重污秽、化学腐蚀及剧烈振动的场所。
产品参数

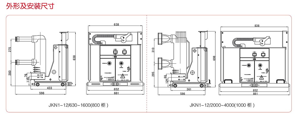
外形及安装尺寸
