您当前位置:电力猫 >> 产品中心 >> 高压元器件 >> 电压互感器 >> 浏览文章
电压互感器

JDZ9-6、10电压互感器

发布时间:2023年08月23日人气:

JDZ9-6、10电压互感器



JDZ9-6、10电压互感器

产品概述 General

     JDZ9-6、10系列电压互感器为为环氧树脂全浇封式结构户内装置电压互感器,适用于频率为50/60Hz,10KV及以下的电力系统中的作电压,电能测量保护之用。

型号含义Type description

JDZ9-6、10电压互感器

技术参数Techmical data

     产品标准:GB1207

     污秽等级:II级

     符合功率因数:COSφ=0.8(滞后)

其他技术参数见下表

JDZ9-6、10电压互感器

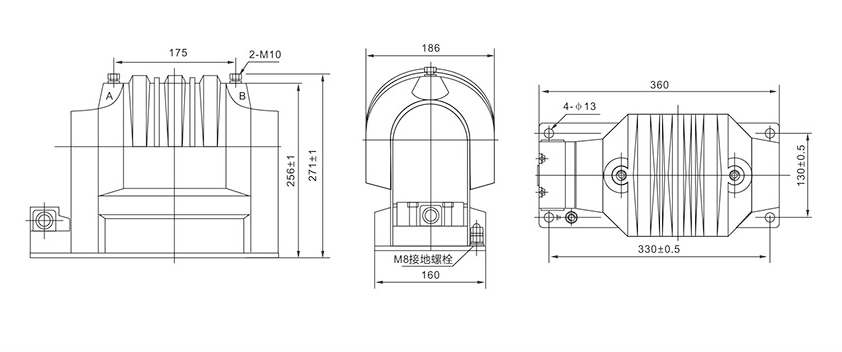
外形及安装尺寸

JDZ9-6、10电压互感器
JDZ9-6、10电压互感器



扫码微信咨询

Copyright © 2023 电力猫 版权所有(C) All Rights Reserved.  备案号:滇ICP备2022003995号-3     技术支持:网捷科技

展开 收缩

联系电力猫