DS-110、120时间继电器

应用范围
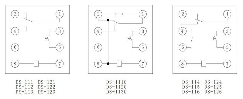
该系列时间继电器用于各种保护和自动控制线路中,使被控元件的动作得到可调延时。继电器具有一付瞬时转换触点 和一付延时动合主触点,对于DS- 114,115,116,124,125,126型继电器多一付延时滑动主触点。型号末端带“C”型属长期工作,其线圈能长期耐受110%额定电压(电压应加在端子上),其它型的继电器线圈耐受110%额定电压历时2min。
产品参数
整定电压:
延时范围:0.1~0.3s 0.25~3.5s 0.5~9s
直流: 24、48、110、220V
交流: 100、110、127、220、380V
动作电压:电流: ≤85%直流: ≤70%
返回电压:≥5%
触点容量:直流有感100W长期允许电流5A
触点形式:一副终止、一副转换
外形尺寸:128×94×141mm
安装方式板前、板后接线
注: 直流带“C”为长期工作
主要技术数据

动作值:直流继电器不大于70%额定值;交流继电器不大于85%额定值。
返回值:不小于5%额定值。
触点容量:在电压不超过250V,电流不超过5A,时间常数为5±0.75ms的直流有感负荷中产品输出触点的断开容量为50W。输出触点在上述规定的负荷条件下,产品能可靠动作及返回5X10次。输出触点长期允许接通电流为5A。
介质强度:产品各导电端子连在一起,对外露的非带电金属部分或外壳之间,能承受2000V(有效值)50Hz的交 流电压历时1分钟试验而无绝缘击穿或闪络现象。
内部接线

外形及开孔尺寸
