您当前位置:电力猫 >> 产品中心 >> 低压元器件 >> 接触器 >> 浏览文章
接触器

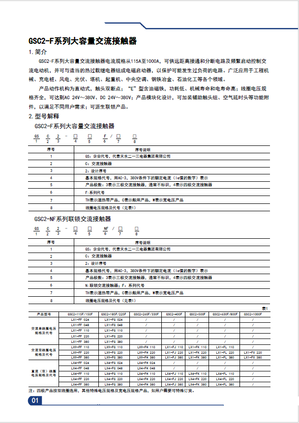
GSC2-5004F 4P交流接触器 GSC2-F系列4极

发布时间:2023年04月30日人气:

GSC2-5004F 4P交流接触器   



GSC2-5004F 4P交流接触器   GSC2-F系列4极

GSC2-5004F 4P交流接触器   GSC2-F系列4极

GSC2-5004F 4P交流接触器   GSC2-F系列4极



扫码微信咨询

Copyright © 2023 电力猫 版权所有(C) All Rights Reserved.  备案号:滇ICP备2022003995号-3     技术支持:网捷科技

展开 收缩

联系电力猫