ZMJ100XDR型远传式密度继电器



产品介绍:


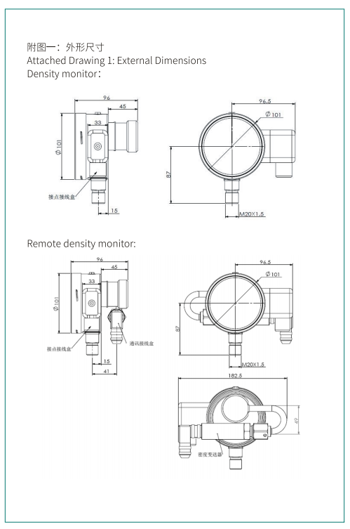
产品说明书:













一.产品描述
用于监视密闭容器中SF6气体的密度,能够现场显示气体密度,当密度值达到设定值时报警,具有实时远传SF6气体密度变化数据,实现在线远程监测功能。适用于高压系统的监测。可提供新建变电站配套及现有变电站智能化改造等多种解决方案。

二.产品应用
SF6绝缘组合电器(GIS)
SF6绝缘断路器
SF6绝缘柱上开关
SF6绝缘变压器
SF6绝缘互感器
SF6绝缘母线系统
三.产品特性
1. 采用气体补偿,更高的设定点精度
2. 全量程1级精度显示、更高的远传模块精度、更高的现场显示与远传数据一致性精度。
3. 采用双补偿系统,确保全温度区间下表计指示盒节点动作更准确
4. 适合室内和室外不同的安装需求
5. 微动开关,可实现常开常闭点间自由切换
6. 最多三对节点,可实现双报警双闭锁等多种选择方案,监控更加安全可靠
7. RS485总线接口,系统扩展方便,便于实现遥测、遥控功能
8. 高抗震性,无需充油,无漏油隐患
9. 常闭接点不会因震动误报警
四.产品数据
1. 测量范围:-0.1 ~ 0.9MPa
2. 设定点精度(设定点补偿系统):+20±1℃,±1.0%FS
–40至+70℃,±1.5%FS(气态)
3. 指示精度(示值补偿系统):额定压力:+20±1℃,±1.0%FS
–40至+70℃,±2.0%FS(气态)
4. 远传模块精度:压力:0MPa abs.至1MPa abs.:±0.5%FS
温度:–40至+70 ℃:±1℃
P20(20℃时压力):0MPa abs.至1MPa abs.:±1.0%FS
5. 额定、设定点的现场显示与远传数据一致性:+20±1℃,±1.0%FS
其他温度,±1.6%FS
6. 防护等级:IP65
7. 工作温度:-40°C ~ +70°C, 相对湿度≤ 95%RH
8. 泄漏率: ≤1×10-9 Pa·m3/s (氦气检漏)
9. 接口尺寸:M20×1.5(可定制)
10. 安装方式:径向或轴向
11. 电气连接:可插拔式七芯接插件
12. 绝缘性能:绝缘电阻:>100 M (DC 500V)
工频耐压: 2kV, 50/60 Hz, 1min
13. 接点类型:微动开关
14. 冲击等级:50g
15. 接点电气参数:10(1.5)A,250V AC
0.1 (0.05)A,250V DC
16. 表玻璃:多层安全玻璃
17. 重量: 1.2kg
18. 感压元件:波纹管及波顿管
远传部分主要电气性能指标和规格
工作电压:DC 24V
功耗: <0.5W
通讯方式:RS485
通讯协议:ModBus RTU
传输速度:9600bps
抗电磁干扰 IEC61000-4-2:4级 (15kV)
IEC61000-4-3:3级 (10V/m)
IEC61000-4-4:4级 (4kV)
IEC61000-4-5:4级(4kV)
IEC61000-4-6:3级(10V)
IEC61000-4-8:5级(100A/m)
五.选项
测量范围
测量介质:SF6、Air、N2、SF6+N2等气体